KYAC311ϵÁлúÉí½ÓÄɸ߾«ÂÁºÏ½ðÐͲ쬣¬£¬£¬£¬£¬£¬¹Ø±ÕʽÎÞµçÉÈÉè¼Æ£¬£¬£¬£¬£¬£¬£¬ÐÎ×´½ô´ÕÑŹۣ¬£¬£¬£¬£¬£¬£¬ÓÐÓñÜÃâ»Ò²ã½øÈ룬£¬£¬£¬£¬£¬£¬°ü¹Ü²úÆ·ÔÚÑÏ¿Á¹¤Òµ³¡¾°Ó¦ÓõĿɿ¿ÐÔºÍʹÓÃÊÙÃü¡£¡£¡£¡£¡£¡£¡£¡£
| ÉèÖÃ | KYAC311-E3MA | |
| Ó²¼þÉèÖÃ | ||
| CPU | Intel? Celeron J1900, 2.0GHz, 4 ºË/4 Ïß³Ì, 2MB L2 »º´æ | |
| TDP | 10W | |
| BIOS | AMI UEFI 64Mbit | |
| ÄÚ´æ | 8GB DDR4 | |
| ´æ´¢ | 128GB SSD mSATA | |
| USB | 1 x USB3.0, 3 x USB2.0 °åÔØÄÚÖÃ1¸öUSB2.0 ¿É×°ÖÃÓ²¼þ¼ÓÃܹ· |
|
| COM | 2 x COM (DB9 ¹«Í·) ¿Éͨ¹ý²¦¶¯¿ª¹ØÉèÖà RS232 »òRS485 ģʽ£¬£¬£¬£¬£¬£¬£¬RS485 Ö§³Ö×Ô¶¯Á÷¿Ø, RS232 ´øÓÐESD ·À»¤( ¿ÕÆø·Åµç£º¡À8KV, ½Ó´¥·Åµç£º¡À6KV) | |
| ÒÔÌ«Íø | 2 x Intel I210ǧÕ×Íø¿Ú | |
| DVI-D | ×î¸ßÇø·ÖÂÊ 1920 x 1080 | |
| À©Õ¹½Ó¿Ú | 1 x È«³ß´çminiPCIe¿¨²Û£¬£¬£¬£¬£¬£¬£¬´øÓÐSIM¿¨²Û | |
| ¿´ÃŹ· | 1~255¼¶¿É±à³ÌÉèÖà | |
| Èí¼þÉèÖÃ | ||
| ʵʱÇéÐÎ | Codesys RTE 3.5.18 | |
| ²Ù×÷ϵͳ | Windows 10 | |
| µçÔ´ | ||
| ÊäÈëµçѹ | DC12~24V ¡À10%, ¹ýÁ÷¡¢¹ýѹÒÔ¼°·À·´½Ó±£»£»£»£»£»£»£»£»¤ | |
| µçÔ´¹¦ºÄ | ×î´ó¹¦ºÄ 45W | |
| »úе²ÎÊý | ||
| ½á¹¹ | îÓ½ð½á¹¹£¬£¬£¬£¬£¬£¬£¬ÎÞµçÉÈ£¬£¬£¬£¬£¬£¬£¬Ö§³Ö±Ú¹ÒʽװÖûòDIN-Railµ¼¹ì×°Öà | |
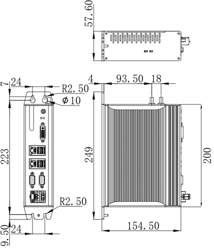
| ³ß´ç | 57.6mm x 200mm x 154.5mm (W x H x D) | |
| ¾»ÖØ | 1.6Kg | |
| ÇéÐÎ | ||
| ÊÂÇéÎÂ¶È | -20?C ~ 60?C | |
| ´æ´¢ÎÂ¶È | -40?C ~ 80?C | |
| Ïà¶Ôʪ¶È | 5~95% ÎÞÄý¶ | |
| Õñ¶¯ | 5~500Hz, 1.5Grms£¬£¬£¬£¬£¬£¬£¬IEC60068-2-64 | |
| ¹¥»÷ | 20G( Ò»Á¬Ê±¼ä11ms£¬£¬£¬£¬£¬£¬£¬°ëÕýÏÒ²¨)£¬£¬£¬£¬£¬£¬£¬IEC60068-2-27 | |
| EMC | CE/FCC Class A | |

¡ñ SM(Softmotion) ¸Ã°æ±¾ÌṩSMC_Basic¿â£¬£¬£¬£¬£¬£¬£¬ÇкÏPLCopenlÈÏÖ¤±ê×¼Part 1¼°Part 2²¿·Ö£¬£¬£¬£¬£¬£¬£¬¿ÉÒÔ¿ØÖƵ¥Öá»òÕßÁ½¸öÖᣨµç×Ó͹ÂֺͳÝÂÖ£©µÄÖ÷´ÓÔ˶¯¡£¡£¡£¡£¡£¡£¡£¡£
¡ñ CN(CNC+Robotic) ¸Ã°æ±¾ÔÚSMC_Basic¿â»ù´¡ÉÏÔöÌíÁËSMC_CNC¼°SMC_Robotic£¬£¬£¬£¬£¬£¬£¬Ö§³ÖÁËCNCÓ¦Óü°»úеÈËÓ¦Óᣡ£¡£¡£¡£¡£¡£¡£¿£¿£¿£¿£¿£¿£¿£¿ÉʵÏÖCNCÊý¿Ø¿ª·¢¼°»úеÈËÖá×鿪·¢¡£¡£¡£¡£¡£¡£¡£¡£
¡ñ TW(Target & Web Visu) ¸Ã°æ±¾°üÀ¨Á˼¯³É»¯µÄ¿ÉÊÓ»¯±à¼Æ÷£¬£¬£¬£¬£¬£¬£¬¿ÉÒÔÔÚ¿ª·¢ÇéÐÎÖÐÖ±½Ó½¨ÉèרҵµÄ¿ÉÊÓ»¯½çÃæ¡£¡£¡£¡£¡£¡£¡£¡£ÆäÖÐTargetVisu·½·¨Ö±½ÓÏÔʾÔÚ¿ØÖÆÆ÷µÄÄÚÖûòÍâÖÃÏÔʾÆ÷ÉÏ£»£»£»£»£»£»£»£»WebVisu·½·¨Ö§³ÖÔÚWebä¯ÀÀÆ÷ÖÐä¯ÀÀ½çÃæ¡£¡£¡£¡£¡£¡£¡£¡£
| SM£¨Softmotion£© | CN£¨CNC+Robotic£© | ||||
| µãλÔ˶¯ | λÖýÏÁ¿´¥·¢ | Á½ÖáÍÖÔ²²å²¹ | ÈýÖáÍÖÔ²²å²¹ | ·¾¶Ô¤´¦Öóͷ£¹¦Ð§ | Á½Öá´®Áª(SCARA)»úеÈËÄ£×Ó |
| JOGÔ˶¯ | λÖò¶»ñ | Á½ÖáÑùÌõÇúÏß | ÈýÖáÑùÌõÇúÏß | ÎåÖá¼Ó¹¤Ä£×Ó | ÈýÖá´®Áª(SCARA)»úеÈËÄ£×Ó |
| ËÙÂÊÔ˶¯ | »ØÁãÔ˶¯ | Á½ÖáÅ×ÎïÏßÔ˶¯ | ÈýÖáÅ×ÎïÏßÔ˶¯ | Á½ÖáÁúÃŹ¦Ð§ | ²¢Áª(DELTA)»úеÈËÄ£×Ó |
| µç×Ó³ÝÂÖ | ¼ä϶²¶»ñ | Á½ÖáÖ±Ï߲岹 | ÈýÖáÂÝÐýÏ߲岹 | ÈýÖáÁúÃÅ | ËÄÖáÂë¶â»úеÈËÄ£×Ó |
| µç×Ó͹ÂÖ | Á½ÖáÔ²»¡²å²¹ | DXFתG´úÂ빦Ч | TÐÍÁúÃÅ | ÁùÖáÊàŦ»úеÈËÄ£×Ó | |
| Ò»Á¬¹ì¼£Ô˶¯ | ÈýÖáÖ±Ï߲岹 | G´úÂë/M´úÂ빦Ч | HÐÍÁúÃÅ | ||
| ÇÐÏò×·Ëæ | ÈýÖáÔ²»¡²å²¹ | ×ø±êϵת»» | ¼«×ø±êϵģ×Ó | ||
| ²úÆ·ÐͺŠ| ÏêÇé |
| KYAC311-E3MAW0SM | J1900/8G/128G SSD/WIN10/Softmotion |
| KYAC311-E3MAW0SMTW | J1900/8G/128G SSD/WIN10/Softmotion/Target & Web Visu |
| KYAC311-E3MAW0CN | J1900/8G/128G SSD/WIN10/CNC |